框架式微型推拉电磁铁选型与应用,尺寸适中性能优越
作者: 发布时间:2026-01-23 15:53:07 浏览量:

U1240框架式电磁铁属于微型推拉式电磁铁,现量产的产品分推拉和拉式两种,电磁铁厂家根据客户的使用情况量身推荐合适的产品。U1240的尺寸适中,价格在框架电磁铁里面适中。
产品的性能优越,被广泛使用于自动化设备、自动门锁、安防设备以及家用电器中。具体介绍如下:
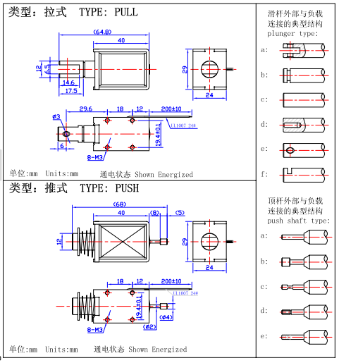
一、U1240框架式电磁铁产品尺寸图:

备注:上图左边部分有推式电磁铁尺寸图纸和拉式电磁铁尺寸图纸;右边部分是厂家推荐中间活动杆,我们称之为滑杆和顶杆样式图纸,这两个零部件可以根据客户的要求定制。
二、U1240框架式电磁铁行程和力量曲线图:

图解:1,上图描述的是框架式电磁铁的行程和力量曲线图
横向:代表推拉式电磁铁的行程 单位为毫米(mm)
纵向:代表推拉式电磁铁在对应行程时的力量 单位为克(g)
2,图中四条线分别代表四种功率以及相应的通电频率
磁心科技电磁铁厂家大批量生产推拉式电磁铁U1240,电磁铁厂家从产品零部件的加工工艺到制造工艺每个环节配置专门的品管监控,在保证产品品质的基础上
提升生产效率、降低制造产品来满足更多客户的需求。
